Запасные части ЧТЗ Запасные части ЧТЗ
Чита
Например:
Актобе
Алдан
или
Выбрать автоматически
Актобе
Алдан
Алматы
Алчевск
Архангельск
Астана
Астрахань
Атырау
Баку
Балашиха
Барнаул
Белгород
Бердянск
Бишкек
Владивосток
Владикавказ
Воркута
Воронеж
Горловка
Грозный
Донецк
Екатеринбург
Иваново
Ижевск
Иркутск
Казань
Калининград
Каменск-Уральский
Караганда
Каховка
Кемерово
Киров
Комсомольск-на-Амуре
Костанай
Краснодар
Красноярск
Красный луч
Ленск
Луганск
Магадан
Магнитогорск
Макеевка
Махачкала
Мелитополь
Минск
Мирный (Якутия)
Москва
Мурманск
Нерюнгри
Нижневартовск
Нижний Новгород
Нижний Тагил
Новая каховка
Новокузнецк
Новосибирск
Новый Уренгой
Норильск
Ноябрьск
Нур-Султан
Омск
Оренбург
Ош
Павлодар
Пермь
Петрозаводск
Петропавловск
Петропавловск-Камчатский
Псков
Ростов-на-Дону
Салехард
Самара
Санкт-Петербург
Саратов
Севастополь
Семей
Симферополь
Сочи
Ставрополь
Сургут
Сыктывкар
Тараз
Ташкент
Токмак
Томск
Тында
Тюмень
Ульяновск
Усинск
Усть-Каменогорск
Уфа
Хабаровск
Ханты-Мансийск
Херсон
Челябинск
Чита
Шымкент
Экибастуз
Энергодар
Южно-Сахалинск
Якутск
Ваш город
Чита
Войти
Запасные части к тракторам на одном сайте
+7 (932) 303-00-10
+7 (932) 303-00-10
г. Чита, Сухая Падь, д. 3
Пн-Пт: 9:30-18:30 Cб-Вс: Выходной
Отправить заявку


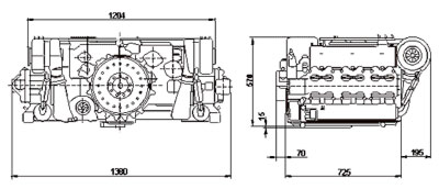
Двигатель В-58-7 МС


/
с НДС 20%
Описание
Дизельный двигатель В-58-7 МС поставляется с приложенной масляной центрифугой, одиночным комплектом ЗИП. На двигателе установлены:
  • электрогенератор;
  • топливные фильтры тонкой очистки;
  • масляный фильтр;
  • топливоподкачивающий насос;
  • вал дополнительного отбора мощности.
Технические характеристики двигателя В-58-7 МС
Тип двигателя: четырехтактный, V-образный, 12-цилиндровый многотопливный дизельный двигатель жидкостного охлаждения с газотурбинным наддувом
Система смесеобразования непосредственный впрыск топлива
Мощность двигателя без сопротивления на впуске и выпуске, кВт (л.с.) 522 (710)
Частота вращения, с-1 (об/мин) 33,3 (2000)
Запас по крутящему моменту, % 18
Удельный расход топлива, г/кВт*ч (г/л.с.*ч) 225 (165)
Масса, кг 1100
Удельная мощность, кВт/кг (л.с./кг) 0,47 (0,64)
Диаметр цилиндра, мм 150,0
Ход поршня в цилиндре с главным шатуном, мм 180,0
Ход поршня в цилиндре с прицепным шатуном, мм 186,7
Рабочий объем, л 38,88
Минимальная температура надежного пуска двигателя без предварительного разогрева, °С 5°C
Допустимые условия эксплуатации двигателей:
- температура окружающего воздуха от -50°С до +50°С
- относительная влажность воздуха до 98% при 25°С
- высота над уровнем моря до 2000 м
Порядок чередования вспышек равномерный, через 60° поворота коленчатого вала
Степень уравновешенности полная динамическая уравновешенность

габаритные размеры двигателя В-58-7 МС
Двигатель В-58-7 МС