Запасные части ЧТЗ Запасные части ЧТЗ
Чита
Например:
Актобе
Алдан
или
Выбрать автоматически
Актобе
Алдан
Алматы
Алчевск
Архангельск
Астана
Астрахань
Атырау
Баку
Балашиха
Барнаул
Белгород
Бердянск
Бишкек
Владивосток
Владикавказ
Воркута
Воронеж
Горловка
Грозный
Донецк
Екатеринбург
Иваново
Ижевск
Иркутск
Казань
Калининград
Каменск-Уральский
Караганда
Каховка
Кемерово
Киров
Комсомольск-на-Амуре
Костанай
Краснодар
Красноярск
Красный луч
Ленск
Луганск
Магадан
Магнитогорск
Макеевка
Махачкала
Мелитополь
Минск
Мирный (Якутия)
Москва
Мурманск
Нерюнгри
Нижневартовск
Нижний Новгород
Нижний Тагил
Новая каховка
Новокузнецк
Новосибирск
Новый Уренгой
Норильск
Ноябрьск
Нур-Султан
Омск
Оренбург
Ош
Павлодар
Пермь
Петрозаводск
Петропавловск
Петропавловск-Камчатский
Псков
Ростов-на-Дону
Салехард
Самара
Санкт-Петербург
Саратов
Севастополь
Семей
Симферополь
Сочи
Ставрополь
Сургут
Сыктывкар
Тараз
Ташкент
Токмак
Томск
Тында
Тюмень
Ульяновск
Усинск
Усть-Каменогорск
Уфа
Хабаровск
Ханты-Мансийск
Херсон
Челябинск
Чита
Шымкент
Экибастуз
Энергодар
Южно-Сахалинск
Якутск
Ваш город
Чита
Войти
Запасные части к тракторам на одном сайте
+7 (932) 303-00-10
+7 (932) 303-00-10
г. Чита, Сухая Падь, д. 3
Пн-Пт: 9:30-18:30 Cб-Вс: Выходной
Отправить заявку


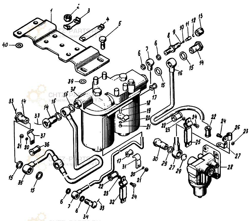
Установка топливного фильтра на В-46-6


/
с НДС 20%
Описание
Установка топливного фильтра на В-46-6
# Номер запчасти Наименование детали Кол-во в сборке Вес, кг
Сб.3335-00-24 Установка топливного фильтра 1
Сб.3314-59-3 Клапан обратный 1
1 3335-20-5 Планка 1 1,05
2 351-09 Гайка М12х1,5 4 0,02
3 353-65 Шайба стопорная 13 2 0,005
4 353-22 Шайба стопорная 11 2 0,0015
5 356-67-4 Болт М10х25 4 0,025
6 355-06 Кольцо 12х16 4 0,0006
7 Сб.3335-12-19 Трубопровод 1 0,121
8 3314-64-4 Корпус клапана 1 0,04
9 3314-67 Шарик V 5мм H 1 0,0005
10 3314-66 Пружина 1 0,0002
11 3314-65-3 Ограничитель 1 0,003
12 3314-68-1 Кольцо 1 0,0002
13 329-21 Гайка 1 0,03
14 3327-112 Зажим 1 0,05
15 355-08 Кольцо 18х24 4 0,0014
16 Сб.435-09-14 Трубка 1 0,41
17 3335-38-4 Прокладка 2 0,0024
18 350-03 Шпилька М6х24 1 0,004
19 3335-67-1 Хомут 1 0,004
20 353-23 Шайба 6Т 3 0,0008
21 351-06 Гайка М6 3 0,0025
22 3335-38-5 Прокладка 2 0,0032
23 351-13 Гайка М5 2 0,0012
24 356-22 Винт М5х12 2 0,003
25 Сб.322-64-1 Хомут 6 трубок 1 0,026
26 3335-77-3 Хомут 1 0,012
27 Сб.3335-14-2 Угольник поворотный 1 0,085
28 Сб.332-00-11 Насос топливоподкачивающий НТП-46 1
29 2262A-17 Кольцо 2
30 896.016 Штуцер глухой 1
31 335-15-1 Планка нажимная 1 0,015
32 Сб.322-64-2 Хомут 5 трубок 1 0,024
33 354-22 Проволока стопорная 3
34 320-37 Зажим 1 0,023
35 Сб.3335-07-19 Трубка 1 0,436
36 420-149-1 Прокладка 1 0,0026
37 3327-120 Планка нажимная 1 0,017
38 Сб.3329-00-11 Фильтр топливный 1 4,832
39 353-07-1 Шайба чистая 10 1 0,002
40 353-07-2 Шайба чистая 10 3 0,0008
Установка топливного фильтра