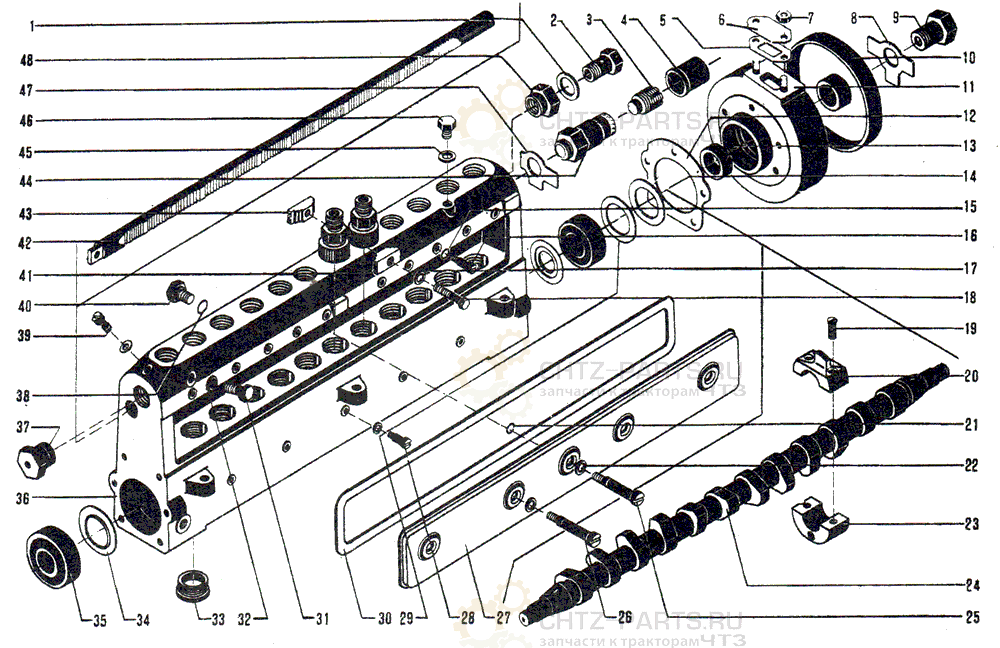
| Поз. | Обозначение | Наименование | Кол-во | Масса |
| — | Сб.327-00-49 | Насос топливный HK-10T | 1 | 37,2 |
| — | Сб.3327-02-8 9 | Букса шарикоподшипника | 1 | 0,793 |
| — | Сб.3327-04 | Вал топливного насоса | 1 | 0,231 |
| — | Сб.3327-05-16 | Корпус топливного насоса | 1 | 12,451 |
| — | Сб.327-10-52 | Крышка корпуса насоса | 1 | 0,818 |
| — | Сб.327-13-1 | Подшипник | 5 | 0,105 |
| 1 | 355-08 | Кольцо | 2 | 0,14 |
| 2 | 3327-112 | Зажим | 1 | 0,050 |
| 3 | 327-71-4 | Гайка упора | 1 | 0,050 |
| 4 | 327-135-1 | Колпачок | 1 | 0,014 |
| 5 | 3327-140-1 | Прокладка | 1 | 0,0051 |
| 6 | 3327-139-3 | Крышка | 1 | 0,05 |
| 7 | 351-06 | Гайка | 8 | |
| 8 | 3334-33 | Шайба | 1 | 0,006 |
| 9 | 3334-34-3 | Гайка | 1 | |
| 10 | Сб.3334-07-13 | Маховик | 1 | 0,972 |
| 11 | Сб.3327-03-6 | Букса | 1 | 0,813 |
| 12 | 327-108-1 | Прокладка | 1 | 0,0052 |
| 13 | Сб.327-18-1А | Манжета армированная | 2 | 0,0106 |
| 14 | 327-89-2 | Прокладка регулировочная | 4 | 0,0008 |
| 15 | 327-86 | Прокладка | 12 | 0,0001 |
| 16 | 3327-85A | Винт установочный | 12 | 0,0069 |
| 17 | 353-23 | Шайба 6Т | 16 | 0,0801 |
| 18 | 3327-105 | Болт | 6 | 0,008 |
| 19 | 327-44 | Винт стяжной | 16 | 0,004 |
| 20 | 327-43-1 1 | Крышка подшипника | 5 | 0.035 |
| 21 | 327-66 8 | Кольцо упорное | 5 | 0,0003 |
| 22 | 327-126 | Прокладка | 5 | 0,0001 |
| 23 | 327-42-1 1 | Подушка подшипника | 5 | 0,058 |
| 24 | 3327-41 2 | Вал топливного насоса | 1 | 3,470 |
| 25 | 327-65А 8 | Винт крышки | 2 | 0,026 |
| 26 | 327-65 8 | Винт крышки | 3 | 0,027 |
| 27 | 327-63-2 8 | Крышка корпуса | 1 | 0,695 |
| 28 | 3327-84A | Винт стопорный | 5 | 0,0077 |
| 29 | 327-102 | Прокладка регулировочная | 4 | 0,002 |
| 30 | 327-64-1A | Прокладка | 1 | 0,0117 |
| 31 | 320-37 | Зажим | 2 | |
| 32 | 355-06 | Кольцо | 2 | 0,06 |
| 33 | 327-82 | Пробка корпуса | 12 | 0,100 |
| 34 | 327-45 2 | Маслоотражатель | 2 | 0,005 |
| 35 | 327-46 2 | Подшипник 205К | 2 | 0,13 |
| 36 | Сб.327-01-14 3 | Корпус топливного насоса | 1 | 12,226 |
| 37 | 315 621 3 | Заглушка | 1 | 0,088 |
| 38 | 355-06 | Кольцо | ||
| 39 | 327-90-1 | Пробка | 2 | 0,012 |
| 40 | 327-33-1 | Заглушка | 1 | 0,028 |
| 41 | 3327-104 | Планка стопорная | 6 | 0,012 |
| 42 | 327-75-6 | Рейка регулирующая | 1 | 0,830 |
| 43 | 3327-103 | Планка стопорная | 6 | 0,013 |
| 44 | 327-70-5 | Гильза упора | 1 | 0,110 |
| 45 | 329-31А | Прокладка | 6 | 0,0004 |
| 46 | 301-101 | Заглушка | 2 | |
| 47 | 327-107 1 | Замок пластинчатый | 1 | 0,003 |
| 48 | 327-24-1 3 | Штуцер | 2 | 0,046 |
|
1 Поставляется комплектно по сб.327-13-1. 2 Комплектно с деталью сб.327-13-1 заказывать по сб.3327-04. 3 Комплектно заказывать по сб.3327-05-16. 8 Комплектно заказывать по сб.327-10-52. 9 Комплектно с деталью 350-02 заказывать no сб.3327-03-6. |
||||
| Поз. | Обозначение | Наименование | Кол-во | Масса |
| — | Сб.327-00-49 | Насос топливный HK-10T | 1 | 37,2 |
| — | Сб.3327-06 | Гильза поворотная | 12 | 0,063 |
| — | Сб.3327-07-6 | Элемент насосный | 12 | 0,15 |
| — | Сб.3327-08-1А | Клапан нагнетательный | 12 | 0,031 |
| — | C6.327-15-3B | Толкатель | 12 | 0,176 |
| 1 | 3327-61-3 | Прокладка | 12 | 0,0005 |
| 2 | 3327-59-1A 5 | Клапан нагнетательный | 12 | 0,006 |
| 3 | 3327-60-1 6 | Седло клапана нагнетательного | 12 | 0,025 |
| 4 | 327-58-5 7 | Гильза плунжера | 12 | 0,105 |
| 5 | 327-92-2А 4 | Ролик толкателя | 12 | 0,028 |
| 6 | 327-95 4 | Ролик 2,5×13,8 II ЕТУ | 195 | 0,0005 |
| 7 | 327-94-1 4 | Шайба толкателя | 26 | 0,0006 |
| 8 | 327-93-1 4 | Палец толкателя | 12 | 0,022 |
| 9 | 327-91И | Корпус толкателя | 12 | 0,099 |
| 10 | 327-52 4 | Контргайка толкателя | 12 | 0,005 |
| 11 | 327-51-3 4 | Болт толкателя | 12 | 0,014 |
| 12 | 3327-81-1 | Тарелка пружины нижняя | 12 | 0,015 |
| 13 | 327-56-1 5 | Шуруп венца | 12 | 0,002 |
| 14 | 3327-79-1A | Пружина плунжера | 12 | 0,053 |
| 15 | 3327-80-1 | Тарелка пружины верхняя | 12 | 0,005 |
| 16 | 3327-54 5 | Гильза поворотная | 12 | 0,035 |
| 17 | 327-55-1 5 | Венец зубчатый | 12 | 0,018 |
| 18 | 3327-77-9 | Штуцер нажимной | 12 | 0,150 |
| 19 | 3327-121-1 | Ограничитель | 12 | 0,008 |
| 20 | 3327-78-1 | Пружина нагнетателя | 12 | 0,008 |
| 21 | 327-57-5 7 | Плунжер | 12 | 0,042 |
|
4 Комплектно заказывать по сб.327-15-3B. 5 Комплектно заказывать по сб.3327-06. 6 Поставляются комплектно по сб.3327-08-1А. 7 Поставляются комплектно по сб.3327 07-6. |
||||
| Поз. | Обозначение | Наименование | Кол-во | Масса |
| — | Сб.327-00-49 | Насос топливный HK-10T | 1 | 37,2 |
| — | C6.315-601-9 10 | Kopnyс регулятора | 1 | 2,265 |
| — | Сб.315-606-5 | Тяга | 1 | 0,094 |
| — | Сб.315-662-3 | Рычаг регулятора | 1 | 0,355 |
| — | Сб.315-664-2 | Втулка | 1 | 0,844 |
| — | Сб.315-665 12 | Рычаг | 1 | 0,252 |
| 1 | 315-632-1 12 | Палец пружин | 2 | 0,006 |
| 2 | 3l5-643-4 11 | Поводок шарнира | 1 | 0,030 |
| 3 | 356-84 | Болт М6×20 | 2 | 0.0066 |
| 4 | 351-02 10 | Гайка | 1 | 0,0055 |
| 5 | 353-23 11 | Шайба | 8 | 0,80) |
| 6 | Сб.315-663-17 | Корпус регулятора | 1 | |
| 7 | 315-610-2 | Тарелка регулятора | 1 | 0,555 |
| 8 | 301-101 | Заглушка | 1 | |
| 9 | 315-611-2 | Крестовина | 1 | 1,742 |
| 10 | 315-614 | Шарик 11 25,4 П | 6 | 0,065 |
| 11 | 315-647 | Гайка | 1 | 0,055 |
| 12 | 315-644 13 | Кольцо стопорное | 2 | 0,002 |
| 13 | 315-613-3 13 | Диск упора | 1 | 0,520 |
| 14 | 315-646-1 13 | Подшипник 8109 | 1 | 0,15 |
| 15 | 315-616-4 | Втулка | 1 | 0,210 |
| 16 | 315-615-3 13 | Упор рычага | 1 | 0,050 |
| 17 | 315-620-5 | Крышка регулятора | 1 | |
| 18 | 356-64 | Винт М6×25 | 8 | 0,006 |
| 19 | 315-622-2 12 | Ролик | 1 | 0,0267 |
| 20 | 327-95 12 | Ролик игольчатый | 1 | 0,0005 |
| 21 | 315-636-1 | Втулка рычага регулятора | 2 | 0,012 |
| 22 | 315-635-1 12 | Палец упора | 1 | 0,025 |
| 23 | 353-07-1 | Шайба чистая | 2 | 0,002 |
| 24 | 354-12 10 | Шплинт 2×20 | 5 | 0,479 |
| 25 | 315-617-2 | Рычаг регулятора | 1 | 0,240 |
| 26 | 315-637-1 12 | Палец рычага | 1 | 0,007 |
| 27 | 353-04-1 10 | Шайба чистая | 5 | 0,0063 |
| 28 | 354-17 10 | Шплинт 2×12 | 5 | 0,324 |
|
10 Комплектно заказывать no сб.315-663-17. 11 Комплектно с деталью 353-23 заказывать no сб.315-606-5. 12 Комплектно заказывать по сб.315-662-3. 13 Комплектно заказывать no сб.315-664-2. |
||||
| Поз. | Обозначение | Наименование | Кол-во | Масса |
| — | Сб.327-00-49 | Насос топливный HK-10T | 1 | 37,2 |
| 1 | 353-04-1 10 | Шайба чистая | 8 | 0,00063 |
| 2 | 354-12 10 | Шплинт 2×20 | 5 | 0,479 |
| 3 | Сб.315-661-1 | Рычаг пружины | 1 | 0,046 |
| 4 | Cб.315-603-2 10 | Пружина регулятора вторая | 1 | 0,032 |
| 5 | 329-31А | Прокладка | 6 | 0,0004 |
| 6 | 301-101 | Заглушка | 1 | |
| 7 | 315-49 10 | Винт ограничителя | 2 | 0,012 |
| 8 | 351-02 10 | Гайка М8 | 1 | 0,0055 |
| 9 | 315-44-6 11 | Звено шарнира | 2 | 0,020 |
| 10 | 327-109-1 | Прокладка | 2 | 0,0078 |
| 11 | 308-88 | Шпонка сегментная | 1 | |
| 12 | 354-17 10 | Шплинт 2×12 | 5 | 0,324 |
| 13 | 315-42 | Цапфа | 1 | 0,004 |
| 14 | 327-46 10 | Подшипник 205К | 2 | |
| 15 | 315-64 10 | Шпонка сегментная 3×5 | 1 | 0,001 |
| 16 | 354-19 10 | Шплинт 3,2×18 | 1 | 1,27 |
| 17 | 315-6391 10 | Шайба | 1 | 0,005 |
| 18 | 315-640-6 10 | Валик с рычагом | 1 | 0,160 |
| 19 | 315-668 10 | Манжета | 1 | 0,252 |
| 20 | Cб.327-18-1A | Манжета | 2 | 0,047 |
| 21 | 315-645A | Прокладка | 1 | 0,0085 |
| 22 | 356-64-1 | Винт М6×25 | 3 | 0,006 |
| 23 | 315-619-8 | Корпус регулятора | 1 | 2,230 |
| 24 | 315-618A | Ось рычага регулятора | 1 | 0,040 |
| 25 | 315-649 | Кольцо уплотнительное | 2 | 0,0001 |
| 26 | 315-68-1 | Пробка | 2 | 0,015 |
| 27 | 353-23 11 | Шайба | 7 | 0,801 |
| 28 | 356-84 | Болт М6×20 | 1 | 0,0066 |
| 29 | C6.315-602 10 | Пружина регулятора первая | 1 | 0,037 |
|
10 Комплектно заказывать no сб.315-663-17. 11 Комплектно с деталью 353-23 заказывать no сб.315-606-5. |
||||