Запасные части ЧТЗ Запасные части ЧТЗ
Чита
Например:
Актобе
Алдан
или
Выбрать автоматически
Актобе
Алдан
Алматы
Алчевск
Архангельск
Астана
Астрахань
Атырау
Баку
Балашиха
Барнаул
Белгород
Бердянск
Бишкек
Владивосток
Владикавказ
Воркута
Воронеж
Горловка
Грозный
Донецк
Екатеринбург
Иваново
Ижевск
Иркутск
Казань
Калининград
Каменск-Уральский
Караганда
Каховка
Кемерово
Киров
Комсомольск-на-Амуре
Костанай
Краснодар
Красноярск
Красный луч
Ленск
Луганск
Магадан
Магнитогорск
Макеевка
Махачкала
Мелитополь
Минск
Мирный (Якутия)
Москва
Мурманск
Нерюнгри
Нижневартовск
Нижний Новгород
Нижний Тагил
Новая каховка
Новокузнецк
Новосибирск
Новый Уренгой
Норильск
Ноябрьск
Нур-Султан
Омск
Оренбург
Ош
Павлодар
Пермь
Петрозаводск
Петропавловск
Петропавловск-Камчатский
Псков
Ростов-на-Дону
Салехард
Самара
Санкт-Петербург
Саратов
Севастополь
Семей
Симферополь
Сочи
Ставрополь
Сургут
Сыктывкар
Тараз
Ташкент
Токмак
Томск
Тында
Тюмень
Ульяновск
Усинск
Усть-Каменогорск
Уфа
Хабаровск
Ханты-Мансийск
Херсон
Челябинск
Чита
Шымкент
Экибастуз
Энергодар
Южно-Сахалинск
Якутск
Ваш город
Чита
Войти
Запасные части к тракторам на одном сайте
+7 (932) 303-00-10
+7 (932) 303-00-10
г. Чита, Сухая Падь, д. 3
Пн-Пт: 9:30-18:30 Cб-Вс: Выходной
Отправить заявку


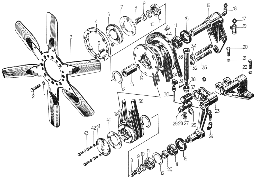
Установка вентилятора на Т-130


/
с НДС 20%
Описание
Установка вентилятора на Т-130
# Номер запчасти Наименование детали Кол-во в сборке
51-07-103СП Механизм натяжения 1
51-07-104СП Шкив 1
1 Шайба 10ОТ 65Г 09 8
2 Болт М10Х45.58.019 8
3 07146-1СП Крестовина 1
4 16-07-13 Кольцо 1
5 Болт М10Х22.58.019 3
6 07108 Крышка 1
7 40811 Прокладка 1
8 Болт М8Х 25.58.019 2
9 31324 Пластина 1
10 07105 Шайба 1
11 Подшипник 206К 2
12 07107 Кольцо 2
13 16-07-23 Втулка 1
14 14-07-16 Шкив 1
15 40805СП Сальник 1
16 51-07-102СП Кронштейн 1
17 Масленка 1.3.ЦБ 2
18 411155 Штуцер 1
19 700-41-2880 Переходник 1
20 Болт М12ХЗ5.58.019 4
21 Шайба 12ОТ 65Г 09 7
22 16-07-109СП Кронштейн 1
23 16-07-111 СП Рычаг 1
24 41204; 41204-1 Колено 2
25 16-07-25 Втулка 1
26 700-58-2421 Кольцо 1
27 30319 Гайка 1
28 31308 Шайба 1
29 29-07-13 Ось 1
30 29-07-104СП Трубка 1
31 Шплинт2,5X25 1
32 16-07-108СП Винт 1
33 Ремень генератора II-12,5Х9Х1090 1
34 3010 Гайка 3
35 29311 Шпилька 3
36 700-30-2046 Гайка 1
37 51-07-6 Муфта 1
38 Ремень вентилятора II-16X11X1650 2
39 16-07-11-1 Шкив 1
40 700-40-3160 Прокладка 1
41 16-07-9 Крышка 1
42 Шайба 8Т 65 Г 09 4
43 Болт М8Х20.58.019 4
44 375 Пробка КГ 3/8 1

Установка вентилятора