Запасные части ЧТЗ Запасные части ЧТЗ
Чита
Например:
Актобе
Алдан
или
Выбрать автоматически
Актобе
Алдан
Алматы
Алчевск
Архангельск
Астана
Астрахань
Атырау
Баку
Балашиха
Барнаул
Белгород
Бердянск
Бишкек
Владивосток
Владикавказ
Воркута
Воронеж
Горловка
Грозный
Донецк
Екатеринбург
Иваново
Ижевск
Иркутск
Казань
Калининград
Каменск-Уральский
Караганда
Каховка
Кемерово
Киров
Комсомольск-на-Амуре
Костанай
Краснодар
Красноярск
Красный луч
Ленск
Луганск
Магадан
Магнитогорск
Макеевка
Махачкала
Мелитополь
Минск
Мирный (Якутия)
Москва
Мурманск
Нерюнгри
Нижневартовск
Нижний Новгород
Нижний Тагил
Новая каховка
Новокузнецк
Новосибирск
Новый Уренгой
Норильск
Ноябрьск
Нур-Султан
Омск
Оренбург
Ош
Павлодар
Пермь
Петрозаводск
Петропавловск
Петропавловск-Камчатский
Псков
Ростов-на-Дону
Салехард
Самара
Санкт-Петербург
Саратов
Севастополь
Семей
Симферополь
Сочи
Ставрополь
Сургут
Сыктывкар
Тараз
Ташкент
Токмак
Томск
Тында
Тюмень
Ульяновск
Усинск
Усть-Каменогорск
Уфа
Хабаровск
Ханты-Мансийск
Херсон
Челябинск
Чита
Шымкент
Экибастуз
Энергодар
Южно-Сахалинск
Якутск
Ваш город
Чита
Войти
Запасные части к тракторам на одном сайте
+7 (932) 303-00-10
+7 (932) 303-00-10
г. Чита, Сухая Падь, д. 3
Пн-Пт: 9:30-18:30 Cб-Вс: Выходной
Отправить заявку


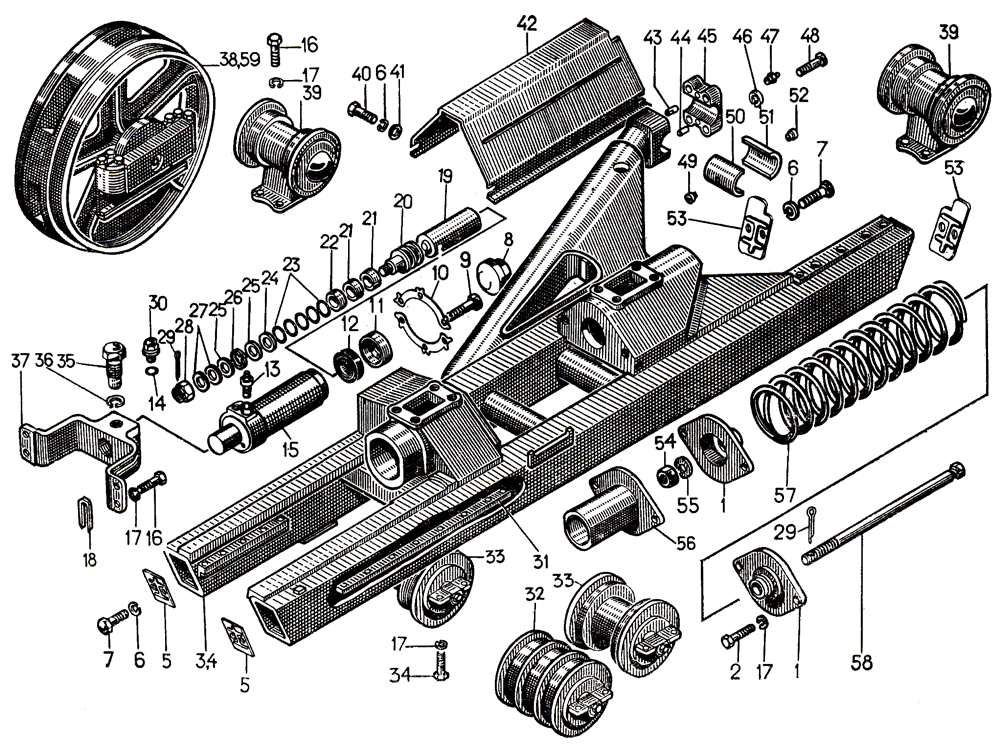
Тележка гусеницы на Т-130


/
с НДС 20%
Описание
Тележка гусеницы на Т-130
# Номер запчасти Наименование детали Кол-во в сборке
50-21-132СП Механизм сдавания 1
50-21-134СП Механизм натяжения 1
1 50-21-84 Фланец 4
2 Болт М20×45.88.019 4
3 24-21-165СП Рама тележки левая 1
4 24-21-164СП Рама тележки правая 1
5 50-21-86 Крышка 2
6 Шайба 12ОТ 65Г 09 8
7 Болт М12×30.58.019 4
8 35-21-34 Упор 2
9 2848 Болт 12
10 700-31-2558 Шайба 4
11 35-21-38 Крышка 2
12 35-21-40 Сальник 2
13 50-21-113СП Клапан двойной 2
14 Кольцо 014-018-25-2-2 2
15 50-21-136СП 1 Цилиндр 2
16 28234 Болт 12
17 Шайба 20ОТ 65Г 09 36
18 18-21-146 Прокладка 4
19 24-21-92 Шток 2
20 50-21-14 Поршень 2
21 18-21-32 Кольцо 4
22 Кольцо КН 50X70-2 2
23 Кольцо М50Х70-2 10
24 Кольцо КО 50X70-2 2
25 50-21-15 Проставка 2
26 700-58-2273 Кольцо 4
27 24-21-95 Прокладка 4
28 700-30-2195 Гайка 2
29 35-21-37 Шплинт 2
30 700-37-2236 Пробка 2
31 24-21-150 Планка 4
32 24-21-170СП Каток двубортный 2
33 24-21-169СП Каток однобортный 3
34 700-28-2316 Болт 20
35 60-21-8 Стопор 1
36 Шайба 16ОТ 65Г 09 1
37 50-21-63 Вилка 1
38 24-21-146СП Колесо натяжное правое 1
39 24-21-171СП Каток поддерживающий 2
40 Болт M12×25.58.019 4
41 31372 Шайба 4
42 24-21-23 Щиток 1
43 700-32-2152 Штифт 1
44 32202 Штифт 1
45 24-21-118 Крышка 1
46 Шайба 30Н 65Г 09 4
47 Масленка 1.3.Ц6 1
48 700-28-2296 Болт 4
49 21691 Штифт 1
50 21690 2 Вкладыш 1
51 21927 2 Вкладыш 1
52 21692 Штифт 1
53 50-21-87 Крышка 2
54 700-30-2275 Гайка 2
55 24-21-163 Прокладка 2
56 24-21-150СП Фланец 1
57 38391 Пружина 2
58 50-21-55 Стержень 2
59 50-21-138СП Колесо натяжное левое 1
1 Заказывать комплект 50-21-161СП.
2 Заказывать комплект 21-21-сб121 или ремонтные.
24-21-111СП — левая,
24-21-112СП — правая
Тележка гусеницы