Запасные части ЧТЗ Запасные части ЧТЗ
Чита
Например:
Актобе
Алдан
или
Выбрать автоматически
Актобе
Алдан
Алматы
Алчевск
Архангельск
Астана
Астрахань
Атырау
Баку
Балашиха
Барнаул
Белгород
Бердянск
Бишкек
Владивосток
Владикавказ
Воркута
Воронеж
Горловка
Грозный
Донецк
Екатеринбург
Иваново
Ижевск
Иркутск
Казань
Калининград
Каменск-Уральский
Караганда
Каховка
Кемерово
Киров
Комсомольск-на-Амуре
Костанай
Краснодар
Красноярск
Красный луч
Ленск
Луганск
Магадан
Магнитогорск
Макеевка
Махачкала
Мелитополь
Минск
Мирный (Якутия)
Москва
Мурманск
Нерюнгри
Нижневартовск
Нижний Новгород
Нижний Тагил
Новая каховка
Новокузнецк
Новосибирск
Новый Уренгой
Норильск
Ноябрьск
Нур-Султан
Омск
Оренбург
Ош
Павлодар
Пермь
Петрозаводск
Петропавловск
Петропавловск-Камчатский
Псков
Ростов-на-Дону
Салехард
Самара
Санкт-Петербург
Саратов
Севастополь
Семей
Симферополь
Сочи
Ставрополь
Сургут
Сыктывкар
Тараз
Ташкент
Токмак
Томск
Тында
Тюмень
Ульяновск
Усинск
Усть-Каменогорск
Уфа
Хабаровск
Ханты-Мансийск
Херсон
Челябинск
Чита
Шымкент
Экибастуз
Энергодар
Южно-Сахалинск
Якутск
Ваш город
Чита
Войти
Запасные части к тракторам на одном сайте
+7 (932) 303-00-10
+7 (932) 303-00-10
г. Чита, Сухая Падь, д. 3
Пн-Пт: 9:30-18:30 Cб-Вс: Выходной
Отправить заявку


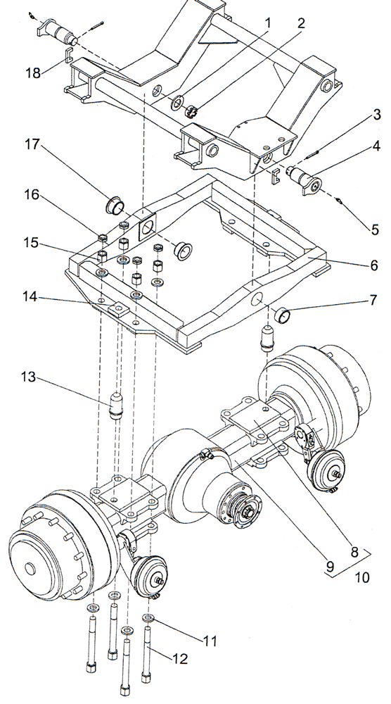
Установка заднего моста ПК46


/
с НДС 20%
Описание
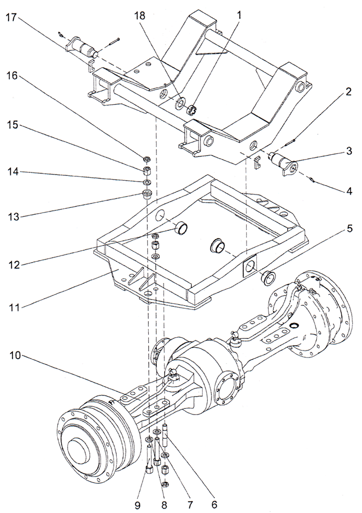
ПК46.02.00.100 Установка переднего моста ПК46
Поз. Обозначение Наименование Кол. Масса
1 027.13.12.227 Гайка 8 0,72
2 027.13.14.227 Гайка 8 2,24
3 ПК46.04.00.025 Шайба 14 0,028
4 ПК46.04.00.030 Шпилька 6 1,9
5 Мост ведущий ОДМ.73.001-6 1 760
6 ПК46.04.00.025-01 Шайба 2 0,028
7 ПК46.02.00.110 Шпилька 2 1,95
8 ПК46.02.00.112 Втулка 2 0,55
Общий вес, кг 786,3


ПК46.04.10.000 Установка заднего моста

ПК46.04.10.000 Установка заднего моста
1 027.13.42.442 Гайка 2 0,38
2 Шплинт 8×63.019 ГОСТ 397-79 2 0,027
3 ПК46.04.00.040 Ось 2 4,3
4 Масленка 2.2.45.Ц6 ГОСТ 19853-74 2 0,016
5 ПК46.04.00.004 Втулка 2 0,45
6 ПК30.02.00 011-02 Шпилька 4 0,56
7 ПКЗО. 02.00.010 Шпилька 6 0,9
8 ПК30.02.00.003-01 Шайба 2 0,043
9 ПКЗО.02.00.020 Шпилька 2 1-0
10 Мост ведущий задний ZF MT-L 3075II 4474 051 227 1 700
11 ПК46.04.10.200 Рамка 1 195
12 ПК46.04.00.001 Втулка 1 0,72
13 ПКЗО.02.00.005 Втулка 2 0,45
14 ПК30.02.00.003 Шайба 18 0,046
15 ПКЗО.02.00.002 Гайка 12 0,2
16 ПКЗО.02.00.004 Гайка 12 0,05
17 ПК46.04.00.024 Скоба 2 0,1
18 027.14.11.142 Шайба 2 0,13
Общий вес, кг 910
Установка заднего моста