Запасные части ЧТЗ Запасные части ЧТЗ
Чита
Например:
Актобе
Алдан
или
Выбрать автоматически
Актобе
Алдан
Алматы
Алчевск
Архангельск
Астана
Астрахань
Атырау
Баку
Балашиха
Барнаул
Белгород
Бердянск
Бишкек
Владивосток
Владикавказ
Воркута
Воронеж
Горловка
Грозный
Донецк
Екатеринбург
Иваново
Ижевск
Иркутск
Казань
Калининград
Каменск-Уральский
Караганда
Каховка
Кемерово
Киров
Комсомольск-на-Амуре
Костанай
Краснодар
Красноярск
Красный луч
Ленск
Луганск
Магадан
Магнитогорск
Макеевка
Махачкала
Мелитополь
Минск
Мирный (Якутия)
Москва
Мурманск
Нерюнгри
Нижневартовск
Нижний Новгород
Нижний Тагил
Новая каховка
Новокузнецк
Новосибирск
Новый Уренгой
Норильск
Ноябрьск
Нур-Султан
Омск
Оренбург
Ош
Павлодар
Пермь
Петрозаводск
Петропавловск
Петропавловск-Камчатский
Псков
Ростов-на-Дону
Салехард
Самара
Санкт-Петербург
Саратов
Севастополь
Семей
Симферополь
Сочи
Ставрополь
Сургут
Сыктывкар
Тараз
Ташкент
Токмак
Томск
Тында
Тюмень
Ульяновск
Усинск
Усть-Каменогорск
Уфа
Хабаровск
Ханты-Мансийск
Херсон
Челябинск
Чита
Шымкент
Экибастуз
Энергодар
Южно-Сахалинск
Якутск
Ваш город
Чита
Войти
Запасные части к тракторам на одном сайте
+7 (932) 303-00-10
+7 (932) 303-00-10
г. Чита, Сухая Падь, д. 3
Пн-Пт: 9:30-18:30 Cб-Вс: Выходной
Отправить заявку


Установка электромашин на ДЭТ-250


/
с НДС 20%
Описание


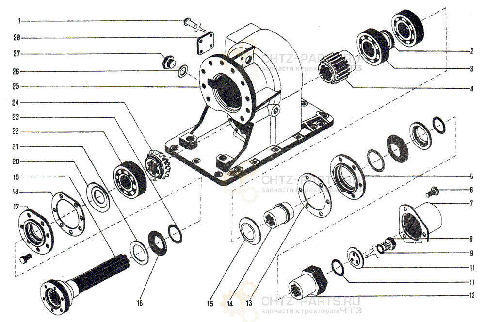
748-50-10СП Установка электромашин ДЭТ-250
Поз. Обозначение Наименование Кол-во Масса
1 748 50-171СП 1 Муфта фрикционная 1 59,88
2 748-50-341 Пробка 1 2,35
3 748-50-340 Диск опорный 1 0,75
4 700-28-370 Болт 12 0,214
5 700-28-2340 Болт 1 0,214
6 748-50-215СП 2 Муфта 1 9,65
7 ГОСТ 397—79 Шплинт 4×32 6
8 ГОСТ 5932—73 Гайка 2M18×1,5.6 6
9 700 37 101СП Масленка 2 0,0174
10 748-50-127СП Вал карданный 1 15,91
11 748-50-397 Уплотнение 3 0,027
12 748-50-398 Накладка 3 0,055
13 748-50-148 Крышка разрезная 2 0,305
14 ГОСТ 7796—70 Болт 3М8-6g×20.88.35.019 10
15 748-50-149 Кольцо уплотнительное 1 0,006
16 700-58-2461 Кольцо 1 0,05
17 748-12-73 Крышка 1 2,0
18 748-12-18 Сальник 1 0,032
19 748-12-61 Штифт 1 0,03
20 748-12-63 Шестерня 1 6,94
21 81010.946.000 Гайка 1 1,3
22 700-37-2129 Пробка 1 0,09
23 700-40-260-16 Прокладка 1 0,00016
24 748-12-115СП Муфта 1 9,6
25 748-12-57 Прокладка 1 0,0043
26 700-28-2342 Болт 15 0,034
27 712-14-273 Шайба 1 0,06
28 712-14-274 Кольцо 1 0,005
29 700-28-2452 Болт 1 0,09
30 748-50-206 Вал передний 1 25,1
31 748-50-177 Муфта 1 3,35
32 ГОСТ 397—79 Шплинт 2×25 1
33 3082 Гайка 1 0,15
34 748-50-535 Фланец 1 ∣.7
35 748-50-536 Кольцо разрезное 2 0,135
36 ГОСТ 17475—72 Винт M4×10.48.05 18
37 Электродвигатель тяговый ЭДП-196 3 1
38 748-50-570 Шайба регулировочная 2 0,033
39 748-50-571 Шайба регулировочная 2 0,043
40 748-50-572 Шайба регулировочная 2 0,065
1 Заказывать комплект 748-50-сб.193.
2 Заказывать комплект 748-50-203СП.
3 За исключением общепромышленного исполнения заказывать комплект 748-82-350СП.


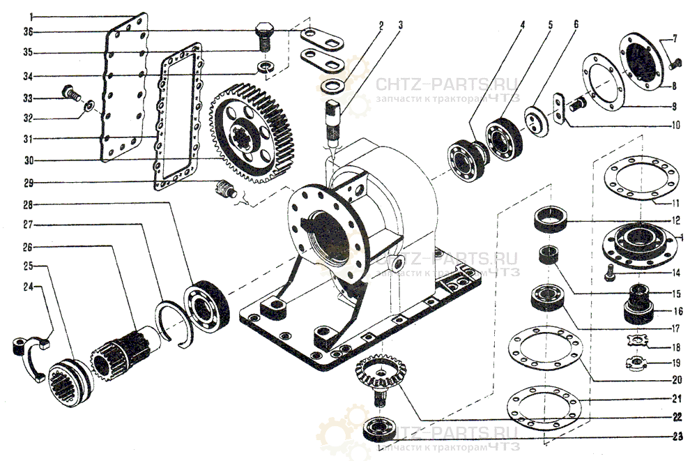
Установка электромашин ДЭТ-250

Поз. Обозначение Наименование Кол-во Масса
1 700-29-291 Шпилька 2 0,09
2 700-29-269 Шпилька 16 0,16
3 748-50-328 Кожух 1 1,66
4 748-50-467 Муфта 1 2,55
5 700-30-248 Гайка 1 0,483
6 ГОСТ 7796—60 Болт М8×16.46 4
7 ГОСТ 6402—70 Шайба 8T 65Г 09 4
8 748-50-288 Прокладка 2 0,0004
9 700-47-2108 Ось 1 0,010
10 ГОСТ 11371—78 Шайба 14.02 20
11 351-19A Гайка 20 0,028
12 ГОСТ 397—79 Шплинт 3,2×32 20
13 748-50-557 Шток 1 0,43
14 ГОСТ 5915—70 Гайка М8.6.019 3
15 ГОСТ 7796—70 Болт М16×1,5×38.88.38ХС 16
16 ГОСТ 6402—70 Шайба 16 ОТ 65Г 09 16
17 748-18-87 Штифт 3 0,027
18 748-50-125СП Редуктор раздаточный 1 95,0
19 748 17-632 Вилка тяги 1 0,06
20 ГОСТ 5915—70 Гайка М10.6.019 10
21 748-50-394 Прокладка 1 0,015
22 ГОСТ 6402—70 Шайба 10 ОТ 65Г 09 10
23 ГОСТ 397—79 Шплинт 2×16 1
24 700-31-533 Шайба 6 0,02
25 700-31-534 Шайба 6 0,037
26 700-31-535 Шайба 6 0,075
27 700-31-536 Шайба 3 0,15
28 700-31-537 Шайба 3 0,112
29 748-50-136 Прокладка 4 max 0,007
30 748-60-130 Штуцер 2 0,092
31 MH 4152-62 Кольцо 20×26 4
32 748-50-210СП Труба 1 0,266
33 748-50-218СП Редуктор привода насоса 1 53,3
34 748-50-209СП Редуктор привода генератора 1 136,5
35 ГОСТ 397—79 Шплинт 6,3×60 1
36 748-50-319 Прокладка 4 0,022
37 748-50-320 Прокладка 4 0,04
38 748-50-321 Прокладка 4 0,066
39 748-50-409 Втулка 5 0,1
40 ГОСТ 11371—78 Шайба 24.02 8
41 700-28-382 Болт 8 0,394
42 748-50-317 Прокладка 4 0,004
43 748-50-318 Прокладка 4 0,011
44 700-32-221 Штифт 2 0,12
45 700-28-398 Болт 2 0,66
46 748-50-393 Прокладка 1 0,048
47 700-29-268 Шпилька 4 0,09
48 Генератор постоянного тока ГПЛ-222 с возбудителем ДК-91ЗА 4 1 1224,8
49 748-21-75 Кольцо 1 0,008
50 ГОСТ 397—79 Шплинт 4×36 1
51 ГОСТ 5932—73 Гайка 2M18×1,5.6 2
52 ГОСТ 11371—78 Шайба 18.02 2
4 За исключением общепромышленного исполнения заказывать комплект 748-82-349СП.


748-50-125СП Редуктор раздаточный ДЭТ-250

748-50-125СП Редуктор раздаточный ДЭТ-250
Поз. Обозначение Наименование Кол-во Масса
1 ГОСТ 10299—68 Заклепка 3×14-32 4
2 748-50-543 Шайба 1 0,008
3 ГОСТ 8338—75 Подшипник 213 2
4 748-50-501 Шестерня 1 2,35
5 748-50-153 5 Крышка 1 1,05
6 ГОСТ 7796—70 Болт 3М8-6g×20.88.35 14
7 748-50-205СП Чехол 1 0,8
8 700-28-2197 Болт 3 0,044
9 301-161А Кольцо 3 0,005
10 748-50-499 Крышка 1 0,24
11 700-40-2014 Кольцо 2 0,0016
12 748-50-498 Втулка 1 1,44
13 748-50-160 Прокладка 8 max 0,005
14 748-50-162 Втулка распорная 1 0,608
15 748-50-157 Кольцо маслоотражательное 1 0,055
16 701-212-62 5 Манжета I 0,007
17 748-50-152 5 Крышка 1 1,0
18 748-50-274 Прокладка 5 max 0,∞5
19 748-50-497 Вал ведущий 1 8,306
20 748-50-156 Кольцо маслоотражательное 1 0,055
21 700-42-2458 Кольцо I 0,133
22 ГОСТ 8338—75 Подшипник 312 1
23 701-212-63 5 Пружина I 0,007
24 748-50-380 6 Шестерня 1 0,65
25 748-50-267 Крышка I 1,05
26 700-40 260-11 Прокладка 1 0,0007
27 700-37-317-01 Пробка I 0,048
28 700-42-2275 Табличка I 0,0065
5 Детали 701-212-63 и 748-50-152 заказывать комплектом 748-50-122СП. Детали 700-58-2458, 701-212-62, 701-212-63 и 748-50-153 заказывать комплектом 748-50-123СП.
6 Заказывать комплект 748-50-сб. 176.


748-50-125СП Редуктор раздаточный ДЭТ-250

Поз. Обозначение Наименование Кол-во Масса
1 748-50-267 Крышка I 1,05
2 748-50-181 Сальник 1 0,0018
3 748-50-378 Валик 1 0,108
4 748-50-544 Шайба 1 0,007
5 ГОСТ 8338—75 Подшипник 212 2
6 748-16-88 Крышка 1 0,196
7 I OCT 7796—70 Болт 3М8×16.46 6
8 748-50-447 Крышка 1 0,35
9 748-50-161 Прокладка 8 max 0,004
10 748-50-450 Планка 1 0,01
11 748-50-391 Прокладка 3 max 0,071
12 748-50-384 Втулка 1 0,18
13 748-50-382 Стакан 1 3,25
14 ГОСТ 7796—70 Болт 3М10-6g×25.58 8
15 748-50-383 Втулка I 0,11
16 748-50-144СП Муфта 1 0,55
17 ГОСТ 8328—75 Подшипник 42207 1
18 700-31-490 Шайба стопорная 1 0,0036
19 700-30-2322 Гайка 1
20 748-50-389 Прокладка 3 max 0,011
21 748-50-390 Прокладка 3 max 0,067
22 748-50-381 6 Шестерня 1 0,95
23 ГОСТ 8338—75 Подшипник 207 1
24 748-50-379 Вилка I 0,17
25 748-50-513 Корпус редуктора 1 64,0
26 748-50-484 Вал ведомый I 4,7
27 700-39-144 Кольцо пружинное 1 0,06
28 ГОСТ 8338—75 Подшипник 214 1
29 748-59-164 Стопор 1 0,003
30 748-50-445 Шестерня I 7,32
31 748-50-268 Прокладка 1 0,008
32 ГОСТ 6402—70 Шайба 10 ОТ 65Г 09 16
33 ГОСТ 7796—70 Болт М10×25.46 18
34 ГОСТ 6402—70 Шайба 8Т 65Г 09 1
35 ГОСТ 7796—70 Болт М8×20.46 1
36 748-50-449 Пластина 2 0,017
6 Заказывать комплект 748-50-сб.176.


748-50-171СП Муфта предохранительная ДЭТ-250

748-50-171СП Муфта предохранительная ДЭТ-250
Поз. Обозначение Наименование Кол-во Масса
1 748-50-152СП Барабан ведущий 1 24,5
2 701-02-539 Конус 1 0,4
3 748-50-344 Кольцо опорное 1 0,145
4 748-50-354 Конус 1 0,5
5 748-50-297 Втулка 2 0,096
6 Штифт 10u8×25 3
7 748-50-154СП 7 Барабан ведомый 1 15,7
8 375 OCT 23.1.117—83 Пробка КГ 1/8" 20.089 I 0,0103
9 700-37-101СП Масленка 1 0,051
10 700-28-2339 Болт 9 0,025
11 ГОСТ 6402—70 Шайба 10 ОТ 65Г 09 9
12 748-50-429 Крышка 1 3,2
13 700-38-2652 Пружина 12 0,032
14 700-38-669 8 Пружина 12 0,063
15 748-50-428 Диск нажимной 1 1,67
16 748-50-301 Диск ведущий 6 0,75
17 748-50-302 Диск ведомый 7 0,4
7 Заказывать комплект 748-50-200СП.
8 Заказывать комплект из 12 штук.


748-50-209СП Редуктор привода генератора ДЭТ-250

748-50-209СП Редуктор привода генератора ДЭТ-250
Поз. Обозначение Наименование Кол-во Масса
1 748-50-348 Маслоотражатель 1 1,01
2 748-50-345 Крышка 1 2,25
3 ГОСТ 7796—70 Болт 3М10×6g×25.58.019 20
4 700-54-67 Хомутик 1 0,016
5 700-29-276 Шпилька 1 0,076
6 748-50-167СП Щуп 1 0,160
7 748-50-168СП Труба 1 0,236
8 Штифт 6u8×25 3
9 748-50-196 Ввергыш 1 0,09
10 700-40-260-20 Прокладка 1 0,0017
11 748-50-555 10 Корпу средуктора 1 29,0
12 748-19-66 Штифт 4 0,1
13 748-50-500 Ввертыш 1 0,37
14 37104 Пробка 1 0,143
15 748-50-288 Прокладка 2 0,0004
16 748-50-466 Муфта 1 4,523
17 700-29-277 Шпилька 5 0,136
18 748-50-362 9 Шестерня 1 19,8
19 ГОСТ 22038—76 Шпилька М10×22.88.38ХС.029 10
20 748-50-347 Крышка 1 2,25
21 748-50-134 Прокладка 7 0,006
22 700-39-133 Кольцо пружинное 1 0,056
23 748-50-346 Маслоотражатель 1 1,01
24 748-12-62 Кольцо 2 0,003
25 ГОСТ 8338-75 Подшипник 130Л 2
26 ГОСТ 8338-75 Подшипник 221 2
27 748-50-133 Стакан 1 1,56
28 748-50-127 Стакан 2 1,049
29 351-19A Гайка 16
30 ГОСТ 397—79 Шплинт 3,2×32 16
31 ГОСТ 11371—78 Шайба 14.02 30
32 Штифт 6u8×20 4
33 748-50-560 10 Корпус редуктора 1 31,6
34 01 265 Сапун 1 0,155
35 748-50-361 9 Шестерня 1 26.5
36 748-50-314 Прокладка 1 0,035
37 700-28-372 Болт 10 0,175
38 748-50-132 Стакан 1 1,35
9 Заказывать комплект 748-50-186СП.
10 Заказывать комплект 748-50-214СП.


748-50-218СП Редуктор привода насоса ДЭТ-250

748-50-218СП Редуктор привода насоса ДЭТ-250
Поз. Обозначение Наименование Кол-во Масса
1 748-50-549 Прокладка 1 0,007
2 748-50-211СП Рычаг 1 0,124
3 ГОСТ 9833—73 Кольцо 014-018-25-2-2 1
4 700-50-164 Стопор 1 0,003
5 700-40-260-11 Прокладка 1 0,0007
6 700-37-317-01 Пробка 1 0,048
7 748-50-379 Вилка 1 0,170
8 748-50-554 Муфта 1 1,3477
9 700-38-2706 Пружина 1 0,024
10 748-50-552 11 Корпус 1 15,0
11 748-50-574 Шестерня 1 2,339
12 ГОСТ 8338—75 Подшипник 210 4 0,470
13 26837 Кольцо замковое 1 0,034
14 748-50-547 Шестерня 1 1,7113
15 ГОСТ 7796 — 70 Болт 3М10×25.46.019 10 0,022
16 700-29-356 Шпилька 4 0,02
17 Штифт 10u8×25 2 0,0154
18 ГОСТ 6402—70 Шайба 8T 65Г 06 5 0,002
19 ГОСТ 7796—70 Болт 3М8×16.58.019 5 0,011
20 748-50-551 Крышка 1 0,530
21 748-50-548 Прокладка 1 0,002
22 748-50-553 11 Крышка 1 5,5
11 Заказывать комплект 748-50-217СП.
Установка электромашин