Запасные части ЧТЗ Запасные части ЧТЗ
Чита
Например:
Актобе
Алдан
или
Выбрать автоматически
Актобе
Алдан
Алматы
Алчевск
Архангельск
Астана
Астрахань
Атырау
Баку
Балашиха
Барнаул
Белгород
Бердянск
Бишкек
Владивосток
Владикавказ
Воркута
Воронеж
Горловка
Грозный
Донецк
Екатеринбург
Иваново
Ижевск
Иркутск
Казань
Калининград
Каменск-Уральский
Караганда
Каховка
Кемерово
Киров
Комсомольск-на-Амуре
Костанай
Краснодар
Красноярск
Красный луч
Ленск
Луганск
Магадан
Магнитогорск
Макеевка
Махачкала
Мелитополь
Минск
Мирный (Якутия)
Москва
Мурманск
Нерюнгри
Нижневартовск
Нижний Новгород
Нижний Тагил
Новая каховка
Новокузнецк
Новосибирск
Новый Уренгой
Норильск
Ноябрьск
Нур-Султан
Омск
Оренбург
Ош
Павлодар
Пермь
Петрозаводск
Петропавловск
Петропавловск-Камчатский
Псков
Ростов-на-Дону
Салехард
Самара
Санкт-Петербург
Саратов
Севастополь
Семей
Симферополь
Сочи
Ставрополь
Сургут
Сыктывкар
Тараз
Ташкент
Токмак
Томск
Тында
Тюмень
Ульяновск
Усинск
Усть-Каменогорск
Уфа
Хабаровск
Ханты-Мансийск
Херсон
Челябинск
Чита
Шымкент
Экибастуз
Энергодар
Южно-Сахалинск
Якутск
Ваш город
Чита
Войти
Запасные части к тракторам на одном сайте
+7 (932) 303-00-10
+7 (932) 303-00-10
г. Чита, Сухая Падь, д. 3
Пн-Пт: 9:30-18:30 Cб-Вс: Выходной
Отправить заявку


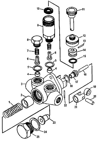
Насос топливоподкачивающий подетально на Т-170


/
с НДС 20%
Описание
Насос топливоподкачивающий подетально
Поз.Номер по каталогуНаименование детали
0 В10.80.16.024 Втулка
0 80.16.022-1-10 Корпус
0 В10.80.16.021-10 Корпус
0 80.16.025А Насос ручной
0 51-71-4СП Насос топливоподкачивающий
0 АВ10М.80.16.085 Насос топливоподкачивающий
0 16-С32-2-10 Толкатель
0 16-С30-8В-Т Топливоподкачивающий насос в сборе
1 16-127А Пружина
2 80.16.132 Поршень
3 80.16.130-10 Корпус
4 16-220 Втулка
5 16-062 Прокладка
6 80.16.142А Клапан
7 16-124 Пружина
8 80.16.134 Пробка
9 16-139-5 Цилиндр
10 16-149 Кольцо
11 80.16.026-2 Шток
12 16-140-1 Крышка
13 16-099 Штифт
14 16-141-3 Поршень
15 016-020-25-1-2 Кольцо
15 016-020-25-1-3 Кольцо
16 В10.80.16.133 Стержень
17 В10.80.16.143 Втулка
18 80.16.144 Прокладка
19 16-130 Ролик
20 16-131-1 Ось
21 16-129-2А-10 Толкатель
22 16-134 Штифт
23 16-225 Упор
24 16-145-1 Прокладка
25 16-128-2 Пробка
Насос топливоподкачивающий подетально