Запасные части ЧТЗ Запасные части ЧТЗ
Чита
Например:
Актобе
Алдан
или
Выбрать автоматически
Актобе
Алдан
Алматы
Алчевск
Архангельск
Астана
Астрахань
Атырау
Баку
Балашиха
Барнаул
Белгород
Бердянск
Бишкек
Владивосток
Владикавказ
Воркута
Воронеж
Горловка
Грозный
Донецк
Екатеринбург
Иваново
Ижевск
Иркутск
Казань
Калининград
Каменск-Уральский
Караганда
Каховка
Кемерово
Киров
Комсомольск-на-Амуре
Костанай
Краснодар
Красноярск
Красный луч
Ленск
Луганск
Магадан
Магнитогорск
Макеевка
Махачкала
Мелитополь
Минск
Мирный (Якутия)
Москва
Мурманск
Нерюнгри
Нижневартовск
Нижний Новгород
Нижний Тагил
Новая каховка
Новокузнецк
Новосибирск
Новый Уренгой
Норильск
Ноябрьск
Нур-Султан
Омск
Оренбург
Ош
Павлодар
Пермь
Петрозаводск
Петропавловск
Петропавловск-Камчатский
Псков
Ростов-на-Дону
Салехард
Самара
Санкт-Петербург
Саратов
Севастополь
Семей
Симферополь
Сочи
Ставрополь
Сургут
Сыктывкар
Тараз
Ташкент
Токмак
Томск
Тында
Тюмень
Ульяновск
Усинск
Усть-Каменогорск
Уфа
Хабаровск
Ханты-Мансийск
Херсон
Челябинск
Чита
Шымкент
Экибастуз
Энергодар
Южно-Сахалинск
Якутск
Ваш город
Чита
Войти
Запасные части к тракторам на одном сайте
+7 (932) 303-00-10
+7 (932) 303-00-10
г. Чита, Сухая Падь, д. 3
Пн-Пт: 9:30-18:30 Cб-Вс: Выходной
Отправить заявку


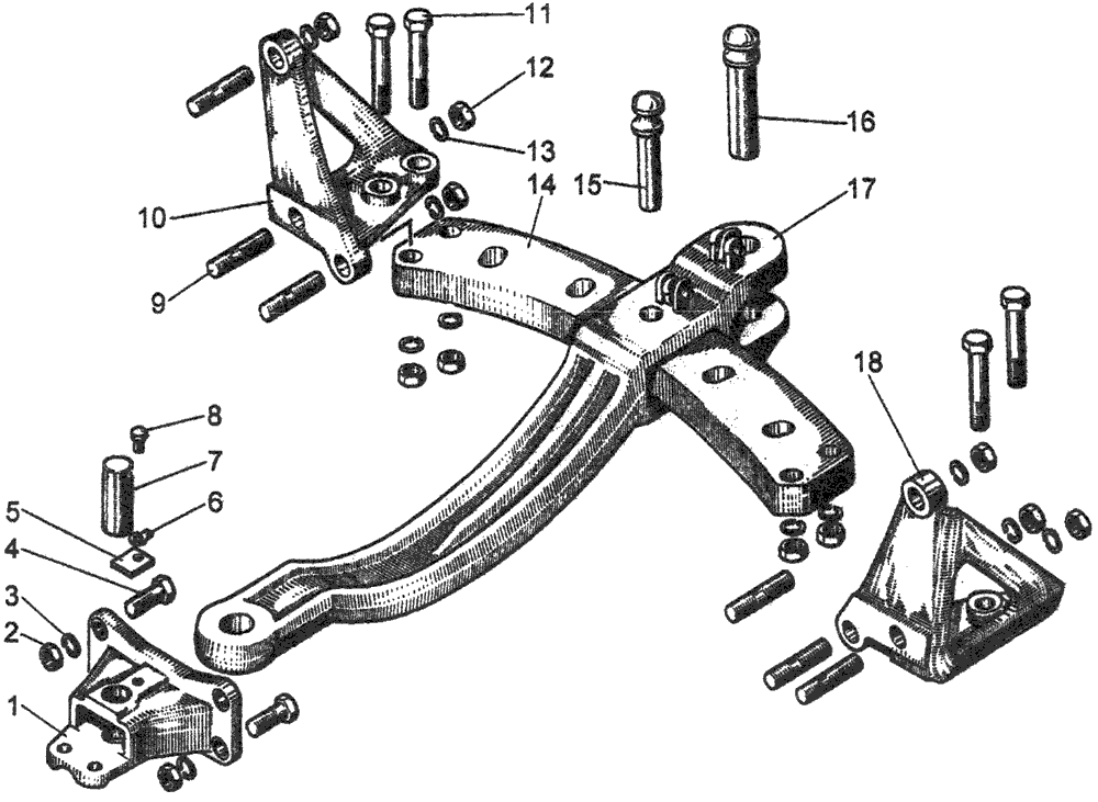
Прицепное устройство маятникового типа на Т10М / Б10М


/
с НДС 20%
Описание
Прицепное устройство маятникового типа на Т10М
#Номер запчастиНаименование деталиКол-во в сборке
-20400СПУстановка прицепного устройства (маятникого типа)1
120444 1Кронштейн передний1
2-Гайка М24-7Н.6.0194
3-Шайба 24Т 65Г 094
4-Болт М24-8g×75.88.45.0194
520446 1Планка1
6700-31-2482 1Шайба1
720445 1Ось1
8-Болт М12×1,25×25.58.019 11
929338Шпилька6
1020341Кронштейн правый1
1128446Болт4
1230230Гайка10
13-Шайба 30 65Г 0910
1420472Площадка1
1520347Штырь площадки1
1620348Штырь серьги1
1750-51-119СПСерьга1
1820340Кронштейн левый1
1 Заказывать дополнительно к комплекту 20400СП.
Прицепное устройство маятникового типа