Запасные части ЧТЗ Запасные части ЧТЗ
Чита
Например:
Актобе
Алдан
или
Выбрать автоматически
Актобе
Алдан
Алматы
Алчевск
Архангельск
Астана
Астрахань
Атырау
Баку
Балашиха
Барнаул
Белгород
Бердянск
Бишкек
Владивосток
Владикавказ
Воркута
Воронеж
Горловка
Грозный
Донецк
Екатеринбург
Иваново
Ижевск
Иркутск
Казань
Калининград
Каменск-Уральский
Караганда
Каховка
Кемерово
Киров
Комсомольск-на-Амуре
Костанай
Краснодар
Красноярск
Красный луч
Ленск
Луганск
Магадан
Магнитогорск
Макеевка
Махачкала
Мелитополь
Минск
Мирный (Якутия)
Москва
Мурманск
Нерюнгри
Нижневартовск
Нижний Новгород
Нижний Тагил
Новая каховка
Новокузнецк
Новосибирск
Новый Уренгой
Норильск
Ноябрьск
Нур-Султан
Омск
Оренбург
Ош
Павлодар
Пермь
Петрозаводск
Петропавловск
Петропавловск-Камчатский
Псков
Ростов-на-Дону
Салехард
Самара
Санкт-Петербург
Саратов
Севастополь
Семей
Симферополь
Сочи
Ставрополь
Сургут
Сыктывкар
Тараз
Ташкент
Токмак
Томск
Тында
Тюмень
Ульяновск
Усинск
Усть-Каменогорск
Уфа
Хабаровск
Ханты-Мансийск
Херсон
Челябинск
Чита
Шымкент
Экибастуз
Энергодар
Южно-Сахалинск
Якутск
Ваш город
Чита
Войти
Запасные части к тракторам на одном сайте
+7 (932) 303-00-10
+7 (932) 303-00-10
г. Чита, Сухая Падь, д. 3
Пн-Пт: 9:30-18:30 Cб-Вс: Выходной
Отправить заявку


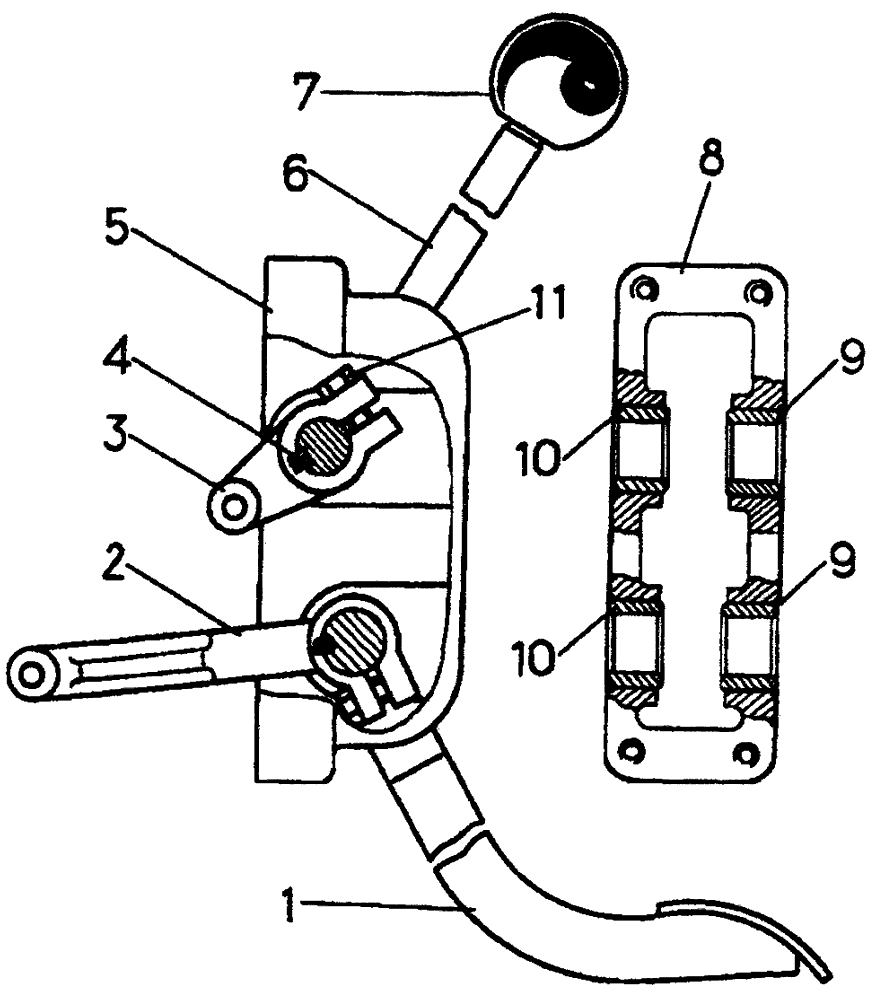
Блок управления топливным насосом на Т10М / Б10М


/
с НДС 20%
Описание
Блок управления топливным насосом на Т10М
# Номер запчасти Наименование детали Кол-во в сборке
- 50-74-185СП 1
64-74-125СП 2
Блок управления (топливным насосом) 1
1 50-74-190СП 1
64-74-120СП 2
Педаль 1
2 50-74-153 Рычаг 1
3 50-74-154 Рычаг 1
4 34126
-
Шпонка сегментная
Шпонка 5×7,5
2
2
5 50-74-191СП Корпус 1
6 50-74-114СП Рычаг 1
7 13310СП Рукоятка 1
8 50-74-152 3 Корпус 1
9 24-74-249-1 3 Втулка 2
10 24-74-248-1 3 Втулка 2
11 - Болт M8-6g×25.88.35.019 1
1 Для трактора с механической трансмиссией.
2 Для трактора с гидромеханической трансмиссией.
3 Входит в 50-74-191СП Корпус.
Блок управления топливным насосом